隨著經濟的發展和社會的進步,大屏幕拼接方案越來越多的應用在能源、醫療、交通、軍警公安、智能樓宇、工廠自動化等各行各業,大屏幕系統的核心——拼接控制系統,也隨著技術的不斷進步,從早期的基于工業PC架構的傳統集中式控制器,逐步發展到最新推出的分布式架構控制系統;
綜合整個大屏幕行業,拼接控制系統大致分為三種類型:集中式、嵌入式、分布式;
集中式控制系統

集中式拼接控制系統是一種基于工業計算機架構的串行數據傳輸與處理服務系統,主要由以下系統構成:
工業計算機
主板
CPU處理器
內存
硬盤
操作系統
Microsoft Windows
Unix/Linux
圖形處理模塊
圖形輸出卡
RGB信號采集卡
視頻信號采集卡
控制軟件
C/S架構
安裝在工業計算機和控制端電腦上

集中式拼接控制系統的應用模式如上圖所示:所有信號源全部接入工業計算機采集,所有輸出也全部經由工業計算機控制,其工作模式即是在工業計算機顯示輸出卡上模擬一個電腦桌面,然后將所需信號源在該電腦桌面上開啟窗口;
嵌入式控制系統

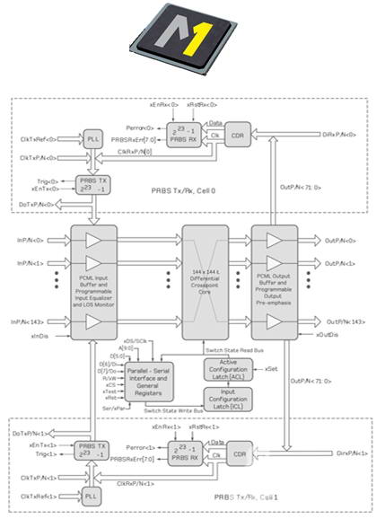
目前,市面上的絕大多數嵌入式拼接控制系統是一種基于Crossport Switch或Fabric Switch架構的集中式控制系統,該架構與傳統PC架構集中式系統相比,擺脫了系統運行對操作系統的依賴,利用新一代開關器件結合交叉分組技術實現的一種交叉開關網絡,系統中多個點到點的通信鏈路被組織在一起,最終能夠實現所有芯片或模塊間的任意互連和并發傳輸,系統帶寬從而成倍的增加;主要由以下系統構成:
標準工業級大功率電源
圖形輸出模塊
圖形采集模塊(數字/模擬RGB、標準視頻、高清視頻等)
背板交換模塊(負責整個系統所有數據的傳輸與處理,類似于矩陣切換)
控制接口模塊
C/S架構軟件,安裝于控制電腦上
下圖為目前市面上常見嵌入式控制系統所用技術的示意圖,由芯片系統框圖可以看出,嵌入式架構的主要功能集成在交換芯片上,從前端數據采集到后端顯示,都是由主芯片控制,在技術上比較容易實現。

分布式控制系統

分布式拼接控制系統是一種:基于網絡交換架構的并行數據傳輸與節點化、分散式處理的控制系統,主要由以下組件構成:
數據傳輸與交換系統:核心交換機
信號采集節點:獨立、模塊化的數字/模擬RGB、標清視頻、高清視頻、網絡信號等
信號輸出節點:獨立、模塊化的數字/模擬RGB輸出
管理服務系統:標準工業計算機,調度控制系統中所有節點,不進行任何視頻數據處理
控制端:標準PC或手持式無線設備,進行信號調度與系統管理
控制系統方案比較
性能
集中式拼接控制系統采用PCI總線串行通訊方式進行視頻數據的傳輸與處理,按照目前硬件的最高配置——PCI-E 16x的理論最高帶寬為6.4GBps(參見下圖IBM提供的標準數據);根據實際情況測算,除去自身消耗和編碼損耗,其能提供的實際帶寬約為4GBps;

視頻數據量計算公式如下:

根據上述計算公式,計算出常用分辨率視頻數據量如下:
1024×768@60Hz:


根據上述公式推算,基于工業計算機架構的集中式控制器,其最大極限狀態下,可以同時處理的視頻數據通道數為:
1024×768@60Hz情況下:4G/135M≈29路
1920×1080@60Hz情況下:4G/355.96M≈11路
基于以上推理和實際項目工程經驗,集中式可應用的系統規模極其有限,一般情況下,用在3×3以下的大屏幕拼接墻上,基本可以滿足使用需求;一但系統規模擴大,就只能采用降低幀速率或者降低畫面質量的方法來實現基本功能,且視頻流暢度和畫面質量隨著視頻數量的增加成倍下降;
分布式架構不再局限于PCI帶寬的限制,其每個處理器節點都采用獨立的處理芯片(DSP或DSP+FPGA架構),在每個獨立節點上設計成一個獨立工作運行、獨立信號采集、獨立數據傳輸、獨立數據處理的模塊化架構,從硬件架構上滿足性能的最優設計,一般分布式的設計應滿足:每個獨立模塊能夠完全實現1920×1080@60Hz的采集、傳輸與解碼顯示,其每個模塊都采用DSP+FPGA硬件架構設計,充分利用片上系統(SoC,System on Chip)工作模式的優勢,徹底避免了傳統控制方式必須借助第三方系統(Windows/Unix等)進行系統處理帶來的系統宕機、軟件崩潰等常見問題
小結:
|
描述 類型 |
性能比較 |
|
集中式 |
較差,受限于工業計算機PCI-E帶寬和計算機性能 |
|
嵌入式 |
一般,受限于矩陣切換芯片支持的處理規模和性能 |
|
分布式 |
優,獨立模塊設計,性能無瓶頸 |
穩定性
|
描述 類型 |
系統穩定性對比 |
|
集中式 |
1. 受限于硬件架構,常常出現工業計算機與其他板卡的兼容性問題 2. OS問題,由于采用第三方操作平臺,Windows或其他OS的固有漏洞及系統故障無法避免 3. 集中式大功率供電、一體化運行,系統任何一個點出現問題,都會導致整個系統出現故障、大屏幕系統完全無法運行 |
|
嵌入式 |
1. 系統運行狀態取決了單顆主芯片的性能和穩定性,將系統風險集中到一個點上,出現系統整體宕機的風險很大 2. 集中式大功率供電,風險極大 3. 一體化運行,數據交換模塊出現問題會導致大屏幕系統黑屏,信號采集模塊出現問題,則會導致控制操作混亂,經常出現需要客戶系統重新上電的問題 |
|
分布式 |
1. 分散式、獨立供電模式,無需擔心供電系統故障,一個節點斷電不影響系統運行 2. 節點化處理,每個模塊只處理與其相關的數據,模塊間互不影響 3. SoC工作模式,無操作系統風險 4. 系統架構簡單,方便快速系統維護 |
系統擴展性
分布式拼接控制系統,其數據的處理與傳輸都通過網絡交換機實現,且網絡架構傳輸采用并行處理模式,每路信號都單獨傳輸,互不影響,從而可以充分利用每路網絡的帶寬;網絡交換機的背板帶寬一般大于端口數量的兩倍,舉例來說,一個48口千兆網絡交換機,其標稱背板帶寬一般為96Gbps,即可以滿足上下行同時達到千兆的數據處理要求,從理論上來說,分布式拼接控制系統采用網絡化傳輸與數據處理,已經沒有了交換帶寬的瓶頸,可以使數據在整個網絡中暢通無阻;
下圖為某個大型網絡系統的實例框架圖,如圖所示,在現實生活中,成千上萬路網絡信號的實時處理和傳輸已經廣泛應用,例如:某國有大型企業的公共網絡平臺,或者集團公司總部與各地市子公司、分公司的VPN網絡,都是成熟的應用;
作為分布式拼接控制系統的核心,網絡交換技術及其應用已經非常成熟,而分布式拼接控制系統對于系統配置的唯一要求即是:隨處可達的網絡環境,基于上述觀點:我們可以得出以下結論:分布式系統在系統建設、系統擴展與規模能力上,具有傳統集中式,嵌入式等系統無法比擬的優勢。
文章來源:中國投影網 ©版權所有。未經許可,不得轉載。