一、大屏幕拼接顯示系統簡介
大屏幕拼接顯示系統就是將單套投影顯示單元通過物理拼接的方式,組合成一個高亮度、高分辨率、色彩還原準確的顯示墻,并通過拼接控制器對顯示畫面進行控制,來實現信號源的任意調用、顯示窗口的任意開合、顯示畫面的任意縮放、隨意拖動等功能。
DLP 背投顯示單元拼接的縫隙較小,畫質較好,適合于對畫面拼接要求較高的應用場合,常用于監控中心、調度指揮中心等。DLP 投影顯示系統由視頻接口電路、視頻前端處理器、視頻圖像增強處理器、DMD 控制電路、光學引擎、投影屏幕等部分組成 [1]。其中,光學引擎又包括光源、顯示芯片和光學成像系統等,光源的不同影響著DLP 背投大屏幕的顯示質量、穩定性、維護周期和成本。
二、LED 光源的DLP 背投大屏幕拼接顯示系統日常維護
盡管LED 光源的DLP 背投大屏幕拼接顯示系統沒有燈泡、色輪等其它需要經常更換的消耗部件,而且各系統廠商也宣稱該系統后期維護量很小,但是,維護人員切記不能抱著大屏幕系統能亮就能使用,壞了再去維修的思想。定期的維護保養,是保證系統高效運行的重要手段,為了更好的發揮該系統的作用,需要維護人員在以下幾個方面做好日常維護工作。
2.1 保持良好的使用環境
2.1.1 防塵
通常新機剛剛裝設完成的時候,一切都是很美好的、清晰度、對比度亮度都是在最佳狀態,但是小小的灰塵卻能讓大屏的影像質量在幾個月之內快速的下降, 甚至造成機器無法工作 [2],因此,防塵問題不容忽視。維護人員要做的就是對大屏幕系統進行定期清潔,
一是防塵網的清潔:每個大屏幕顯示單元箱體后蓋上都會有一層防塵網,發揮著既保證箱體內部通風散熱又保證箱體內部清潔的作用,要根據實際使用環境定期清潔或者更換防塵網,投影機芯上也有一層防塵網,因為箱體后蓋上的防塵網已經起到了一定的防塵作用,所以該防塵網的維護周期可以根據實際情況適當放寬一些。
二是反射鏡的清潔:背投大屏幕拼接顯示系統為了節省安裝空間,減少大屏幕箱體的厚度,其結構設計是在其箱體內設置一塊反光率高達98% 以上的反射鏡,該反射鏡在使用一段時間后在其表面也會聚集一定的灰塵,從而影響顯示效果。
三是屏幕的清潔:投影屏幕容易吸附灰塵,在使用中不要用手或其他東西接觸屏幕的表面,必須定期對屏幕進行清潔,以保證屏幕不變形、不影響顯示效果。需要注意的是,在清潔反射鏡及投影屏幕時應使用專用無塵布并避免使用有機溶劑,如有必要,可以沾少許無水乙醇進行擦拭。
2.1.2 恒溫恒濕
散熱問題是影響LED 光源DLP 大屏幕光源壽命的關鍵因素,直接關系到設備的經濟效益成本[3],因此,應按照設備說明書合理調節使用環境的溫濕度,應綜合考慮設備總散熱量和使用環境的面積,配備相應制冷量的恒溫恒濕空調機。為了避免DLP 顯示屏體因冷熱不均而造成損壞和結露現象,并且保證大屏幕前后溫度均勻,最好采用地板下送風的方式,如果采用上送風的方式,空調出風口應朝向遠離拼接單元的方向,嚴禁向屏幕直吹。
2.2 合理開、關機操作
大屏幕拼接顯示系統安裝調試完成之后,應盡量避免頻繁進行開關機操作,在需要斷電進行維護操作時,一定不要人為強行關掉電源,應在使用遙控關閉系統后,等待幾分鐘讓機器逐步冷卻至自動停機,再切斷電源,以免損壞設備。當執行了關機操作之后,如果又想立即打開,也要最好等待幾分鐘之后再執行操作,避免頻繁開關機對設備造成的損傷。
2.3 顯示預案的保存
因大屏幕拼接顯示系統具有調度靈活、畫面隨意組合的特點,在實際應用過程中,會根據不同的顯示需求將整個拼接屏幕劃分成幾個不同的顯示區,或是將不同的信號源組合成新的顯示畫面,每一次顯示內容的調整,都會對屏幕進行重新布局。為了防止調整信號源的時候將屏幕上顯示的信號位置弄亂,或是為了能夠在需要的時候達到一鍵切換的目的,就需要將每一次屏幕的布局、分區、顯示內容的位置等內容保存成預案,這樣既可以在需要的時候臨時切換顯示內容,又可以在臨時任務結束時快速恢復到正常畫面。參考顯示預案示意圖如圖1 所示。

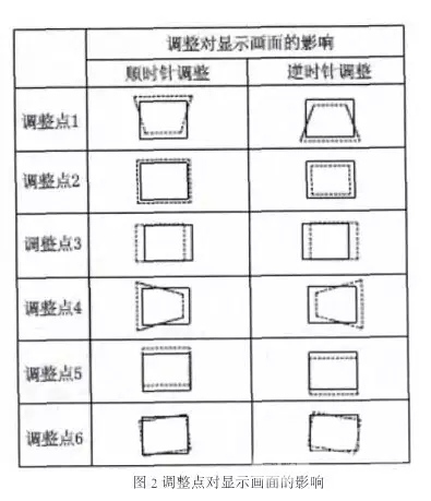
2.4 定期調整光柵
大屏幕拼接顯示系統在使用了一定的時間后,會出現光柵的漂移,造成畫面失真和相鄰屏幕間的錯位。目前,大部分拼接顯示系統使用的投影機光柵調整臺為六軸的調整臺,可以進行上、下、左、右、傾斜、偏轉、旋轉等全方位調整,六軸調整臺通過精密齒輪傳動機構和調節旋鈕,確保畫面精確調整和幾何定位。維護人員在進行調整操作時,一定要小心翼翼的旋轉調整軸,以免用力過大造成調整軸的損壞。調整點對顯示畫面的影響如圖2 所示。

三、LED 光源的DLP 背投大屏幕拼接顯示
系統典型故障處理
在大屏幕拼接顯示系統使用過程中,可能會遇到一些系統故障導致不能正常使用,維護人員只有充分了解了系統的技術架構和原理,才能夠在出現故障時快速定位故障點,及時解決問題。在大屏幕系統操作便利性方面,大屏幕拼接控制器對維護及使用人員幫助很大。大屏屏體技術決定了監測畫面的顯示質量,大屏拼接控制器則決定了系統信源的調度能力[4]。因此,在故障定位及故障解決過程中,一定要對大屏幕拼接控制器軟件多加利用。
3.1 畫面不能切換
故障現象:大屏只能顯示當前畫面,不能進行切換操作。首先需要檢查大屏幕控制軟件是否已經卡死,嘗試重新啟動控制軟件解決。其次,檢查裝有控制軟件的電腦網線與交換機的連接是否正常或大屏幕與控制器之間的控制線是否正常。最后,可嘗試重啟控制器。
3.2 畫面黑屏
大屏幕系統最常見的故障就是黑屏,黑屏的原因有很多種,需要一一排查。
3.2.1 拼接屏整體黑屏
如果是拼接屏幕整體出現黑屏現象,首先可以通過大屏幕拼接控制器檢查是否設置了自動關機或待機,在控制軟件中點擊系統開機按鈕觀察情況。其次要檢查電源供電是否正常,如果以上兩點都正常但屏幕依然整體黑屏的話就要考慮由系統廠家專業人員來檢查問題了。
3.2.2 單一屏幕黑屏
首先,可以通過大屏幕拼接控制器軟件檢查信號源是否正常及信號源是否被多次使用,例如信號源服務器只有兩路輸出,如果大屏幕上有三處都使用了該信號的時候,就會有一處出現黑屏。其次,如果在控制軟件上發現該信號源不正常,就要檢查信號源服務器是否正常、信號源服務器與控制器之間的視頻連接線是否松動等。如果在控制軟件上發現該信號源正常,則要檢查投影機及控制器與投影機之間的視頻連接線,可以在控制系統中找到對應的投影機,通過軟件將其重啟后觀察情況,還可以到拼接墻后面找到對應的投影機,手動進行斷電再重新加電。如果故障現象依然存在,就要考慮可能是投影部件故障,需要聯系廠家上門解決。
3.3 畫面偏色
圖像顏色有時偏藍、有時偏綠、有時正常,這種情況可能是信號源與投影機之間的視頻連接處松動,也可能是投影機本身的故障。首先可以使用控制軟件將大屏幕切換為投影機自帶的測試信號,如果測試信號正常,則判定為視頻線故障,可嘗試將視頻線連接處擰緊或更換視頻線解決。
文章來源:中國投影網 ©版權所有。未經許可,不得轉載。