在國家教育信息化不斷推進的同時,教學裝備也經歷了從粉筆+黑板到投影+白板,再到一體化交互智能平板的更迭歷程。人們在享受信息化教學帶來便捷、高效的同時,也開始焦慮:這些高科技的信息化教學設備會不會對學生的視力健康產生影響?
毫無疑問,設備本身的技術保障是首要。
如果這是一個毒蘋果,才不管孩子是只想摸一下還是咬一口,只要靠近都有危險,第一要務自然是遠離。因此,要判定交互智能平板與投影是否對學生視力有害,首先需要確認它的關鍵技術參數是否都在健康值范圍之內,即它本身是否就是一個“毒蘋果”。我們知道顯示設備影響視力的幾個維度主要包括:藍光波長、閃爍頻率、清晰度、對比度。
為什么到今天,人們還在憂慮“藍光危害”?
恐懼的源頭大抵是“藍光危害”的殺傷力。先來看“藍光危害”是什么?對于光線,其頻率越高能量也就越高,穿透力也越強大。而藍光在可見光中屬于高頻段,如果顯示設備在色彩顯示時,藍光能量比較多讓我們的眼睛視網膜不足以將所有的藍光能量轉換成神經電信號。那么,多余的藍光會穿過視網膜,直接照射到更深層面的眼底組織,進而加速這些眼組織的老化、病變,造成眼睛傷害,甚至是引起黃斑部病變。殺傷力大,所以恐懼。
而對于這一關鍵因素,早在2015年,國家廣電質檢中心就公布了一份關于教學多媒體顯示設備的“藍光”污染量的實驗報告。該報告顯示兩個常見的信息化教學設備的所測的“藍光危害”值分別為:交互智能平板0.54W•m-2•sr-1、激光投影機10W•m-2•sr-1,而其國際通行安全標準為:100W•m-2•sr-1。可以看到,交互智能平板的所測值遠在警戒線外,倘若知曉此數據,想必能大大降低人們對此的擔憂;而激光投影的“污染值”雖然較交互智能平板高,但其依舊處于國際通行標準之內,在科學、合理的使用方法之內,也并不會對學生造成視力的損害。加之現在不少學校都逐漸換上了“危害值”最小的交互智能平板,學生的視力威脅正在逐步減小,種種擔憂大可不必。人們只盯著可能有的威脅,卻忽略了科技進步帶來的改良。不明現狀,也會恐懼。
交互智能平板登臺上場,屏幕閃爍漸行漸遠
隨著液晶顯示技術的不斷進步,只要是稍微知名一些的品牌都不會有屏幕閃爍現象。但這一點之所以會拿出來談,是因為教學投影在長久未經維修的情況下容易發生屏幕閃爍現象,在這樣的情況下就容易對學生的眼睛造成疲勞和眩暈感,這也就成了人們對此擔憂的導火索。而實際上,當教室換上交互智能平板之后,閃爍的情況基本不再存在(只針對一二線品牌,小作坊不合格產品不作為談論對象)。
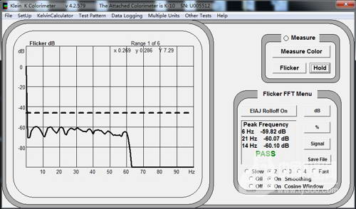
從下面兩張Flicker測試波形圖也可看到:投影的實測值高于-45dB——人眼能感受到的閃爍頻率,但使用年限相同的交互智能平板則依舊穩居安全值內。

投影Flicker測試波形

液晶平板Flicker測試波形
從投影到交互智能平板,顯示清晰度、對比度在升高
顯示屏的清晰度和對比度是除閃爍外,人眼最能直觀感受到的兩點,也是從投影到交互智能平板最直觀的變化之一。我們知道投影有一個很大的優勢在于其價錢低,但與此優勢相倚的是其顯示清晰度較低、在白天光照足的教室環境下對比度會降低。以至于使用投影時常常需要拉上窗簾,這也是為什么說“投影最適合的場景是電影院”。當拉上窗簾,教室整體環境變昏暗,光照亮度不足不但有損學生視力,也不利于營造明亮的學習環境,影響學習質量。
交互智能平板基于液晶顯示技術,則很好地解決了這一難題——即使在強光下,屏幕也能清晰顯示畫面,將明亮、舒適的學習環境還給學生。


當然,“如果一個罪犯想行兇,水果也可以是兇器”。
在科學技術的帶動下,交互智能平板緩解了許多人們擔心的問題,正規品牌的交互智能平板本身絕不是“毒蘋果”。但如果一個罪犯想行兇,水果也可以是兇器。所以,反而是現在信息化教學設備使用方式應該值得人們去深思。我們都知道電視機對人產生危害是在長時間、躺著看、近距離看等因素下才會對人的視力產生危害,那在教室的交互智能平板呢?能讓它對孩子視力產生威脅的場景會有哪些?
長時間使用首當其沖。視力下降歸根到底是由視覺疲勞造成的,長時間觀看容易造成用眼疲勞,是否擁有足夠的用眼休息,對眼部健康非常重要。這也是為什么有些大品牌的交互智能平板會設計一鍵黑屏功能,這可以推動老師在使用設備一段時間后(如20分鐘),可以將其一鍵黑屏,讓學生眼睛得到休息。
科技產品本身是安全的,真正有危害的是不恰當的使用方式,交互智能平板在技術的進步下也為學生的視力添加了保護鎖。
文章來源:中國投影網 ©版權所有。未經許可,不得轉載。