汽車照明技術已歷經數十年的發展。在發光二極管(LED)照明時代,人們對一體式車燈設計的期望從未如此之高正因為如此,這些高期待推動著半導體行業LED驅動器的技術不斷發展。
如今,汽車照明要求高質量的均衡設計以保證無論是前燈還是尾燈都具有卓越的照明效果。

圖1:汽車前燈

圖2:汽車尾燈
在過去,提高亮度的方式是增加LED燈的數量。但如果您現在拆開一個新的尾燈,就會看到大量的導光材料、光管、遮光罩和其它復雜的照明結構,這些都是為了實現更佳的照明效果。為實施上述措施,需要減少LED燈的數量且提高每個LED燈的電流是必不可少的。
設計人員使用開關型LED驅動器提高每個LED燈的電流。但是在車尾組合燈(RCL)中,高開關頻率可能會對天線造成很大干擾,帶來電磁干擾(EMI)和電磁兼容(EMC)問題。使用線性LED驅動器時,LED驅動器內部的高功耗可能會影響整個照明燈的使用壽命。
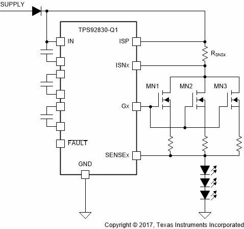
TI推出的全新三通道高側恒流汽車線性LED控制器,可幫助解決這些問題。圖3為器件TPS92830-Q1的示意圖。

圖3:TPS92830-Q1簡化示意圖
TI移除了器件內部的金屬氧化物半導體場效應晶體管(MOSFET),以便設計師根據實際輸出電流來決定整個RCL系統所需要的MOSFET類型。
如此一來,設計師可以設計出更精密的尾燈:通過使用一個或兩個TPS92830-Q1,并結合外部高電流MOSFET,以提供每個通道高達250mA或300mA的電流。
這項創新還可釋放器件本身的熱量,優化整個系統的散熱性能。利用此項創新,您可以使用TPS92830-Q1驅動制動燈、尾燈、轉向燈、位置燈以及日間行車燈(DRL)。具體取決于您的設計需要多大的外部MOSFET。

圖4:MOSFET并行驅動支持
同時,TPS92830-Q1還集成了高精度片上脈寬調制(PWM)發生器。誤差領先業內,低至2%,在每盞燈上均可實現高質量的均衡設計,尤其適用于在后備箱和擋泥板上分別安裝燈的設計。肉眼無法分辨兩種燈的亮度差異。您可以根據系統架構在片上PWM信號和外部PWM信號之間進行選擇。
該器件具有全面領先的保護和檢測功能,可確保您的設計滿足所有汽車原始設備制造商(OEM)的要求,如LED開路、LED短路和一個失效全部失效。 TPS92830-Q1還支持電流降額功能,可在高壓輸入條件下保護外部MOSFET,確保系統的可靠性。

免責聲明:本文來源于德州儀器,本文僅代表作者個人觀點,本站不作任何保證和承諾,若有任何疑問,請與本文作者聯系。