從事低電磁干擾(EMI)應用的設計工程師在進行設計時通常面臨著兩大挑戰:即如何在降低設計中電磁干擾的同時,縮小方案的體積。前端無源濾波可減少開關電源產生的傳導性EMI,從而確保符合傳導性EMI標準,但這種方法可能與增加低EMI設計的功率密度的要求相矛盾,特別是考慮到更高的開關速度對整體EMI信號的不利影響。這些無源濾波器往往體積龐大,可占電源方案總體積的30%。因此,在提高功率密度的同時,有效縮小EMI濾波器體積仍是系統設計人員的首要任務。
有源EMI濾波技術是一種較新的EMI濾波方法,可減弱電磁干擾,讓工程師能夠大幅縮小無源濾波器的尺寸、降低成本并提升EMI性能。為了說明有源EMI濾波器在EMI性能提升和空間節省方面的主要優勢,在本文中,我將回顧集成了有源EMI濾波器功能的汽車同步降壓控制器設計的結果。
EMI濾波
無源濾波使用電感器和電容器在EMI電流路徑中產生阻抗失配,以此減少電源電路的傳導發射。相比之下,有源濾波可感應輸入總線上的電壓,并產生反相的電流,該電流可直接與開關級產生的EMI電流抵消。
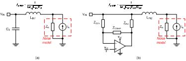
在此背景下,請看一下圖1中簡化的無源和有源濾波器電路,其中 iN 和 ZN 分別表示針對直流/直流穩壓器的差分模式噪聲諾頓等效電路的電流源和阻抗。

圖1:常規的無源濾波(a)和有源濾波(b)電路安裝啟用
在圖1b中,配置了電壓感應和電流消除(VSCC)的有源EMI濾波器使用運算放大器電路作為電容倍增器來代替無源設計中的濾波電容器(CF)。如圖所示,有源濾波器的感應、注入和補償阻抗使用相對較低的電容值和較小的元件尺寸來設計增益項,用GOP 表示。有效的有源電容由運算放大器電路增益和注入電容器 (CINJ) 設置。
圖1包含有效濾波器截止頻率的表達式。高效的GOP 可降低有源設計的電感和電容值,且截止頻率與無源設計實現等效。
濾波性能優化
圖2比較了基于傳導EMI測試的無源和有源EMI濾波器設計,該類設計使用峰值和平均值檢波器來滿足國際無線電干擾特別委員會 (CISPR) 25 5 類標準。每種設計都使用基于 LM25149-Q1 同步降壓直流/直流控制器的功率級,通過13.5V的汽車電池輸入提供5V和6A的輸出。開關頻率為440kHz。

圖2:比較無源濾波器方案(a)和在等效功率級工作條件下有源濾波器設計(b)
圖3所示為啟用和禁用有源EMI濾波器電路時的結果。與未濾波或原始噪聲信號相比,有源EMI濾波器的中、低頻減弱情況更不明顯。440kHz的基頻分量的峰值EMI水平降低了近50dB,這使設計人員能夠更加輕松地符合EMI的嚴格要求。

圖3:比較有源EMI濾波器處于禁用(a)和啟用(b)狀態下的濾波性能
節省PCB空間
圖4提供了無源和有源濾波器級的印刷電路板(PCB)布局比較,結果如圖2所示。電感器占用的空間從5mm x 5mm縮小到4mm x 4mm。此外,兩個隨著外加電壓而大幅降低的1210電容器被適用于有源EMI濾波器傳感、注入和補償的幾個小型且值穩定的0402器件所代替。該濾波器解決方案占用的面積減少了近50%,而體積則減少了75%以上。

圖4:無源(a)和有源(b)濾波器設計的PCB布局尺寸比較
無源器件的優勢
如前所述,與無源濾波器設計中的電感器相比,有源EMI濾波器擁有較低的濾波器電感值,可減小占用的空間并降低成本。此外,物理尺寸較小的電感器通常具有寄生繞組電容較低而自諧振頻率較高的繞組幾何形狀,從而在CISPR 25的較高傳導頻率范圍內提升濾波性能:30MHz提升至108MHz。
一些汽車設計需要兩個輸入電容器串聯連接,從而確保直接通過電池供電軌道連接時的失效防護穩健性。因此,有源電路可額外節省空間,因為小型0402/0603電感和注入電容器的串聯可替代多個1210電容器。較小的電容器可簡化器件的采購過程,因為這類器件隨時可以買到且不受供應商限制。
結束語
我們會持續關注EMI,尤其是在汽車應用中使用電壓感應和電流注入的有源濾波器實現低EMI信號,并最終減少所占空間及體積,同時降低解決方案的成本。有源EMI濾波器電路與同步降壓控制器的集成有助于解決直流/直流穩壓器應用中低EMI與高功率密度之間的權衡問題。
免責聲明:本文圖文素材來源于德州儀器,本文僅代表作者個人觀點,本站不作任何保證和承諾,若有任何疑問,請與本文作者或提供稿件商家聯系。如涉及到侵權,請聯系我們及時刪除。